





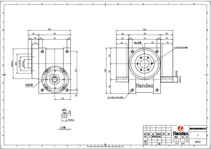
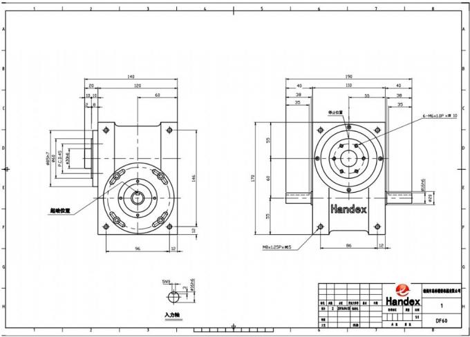
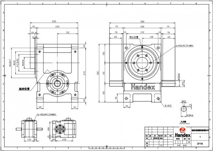
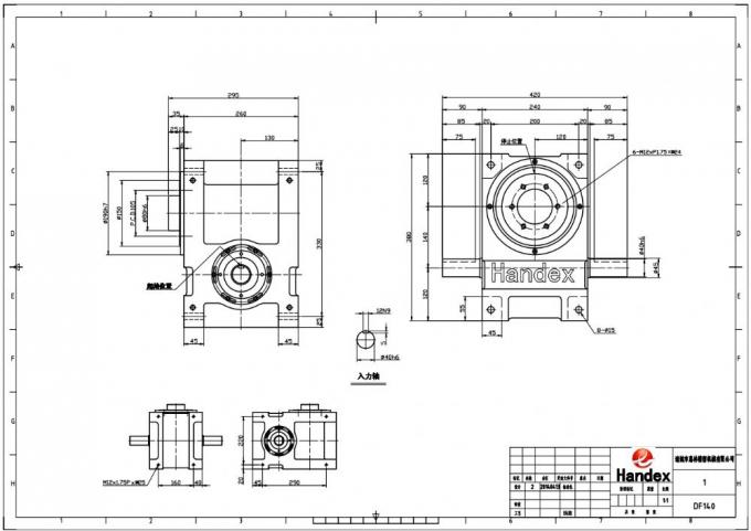
DF SERIES
This series of models has heavy load and can withstand large vertical radial or axial pressures. Its output shaft is a flanged disc design with flange center, disc surface screw hole, positioning pin hole, and large fixed area. Make the connection more solid and stable. It is suitable for large-load rotary disc drive occasions, and is widely used in various disc processing machinery and similar industrial machinery, automatic gap drive parts, and drive discs.
Manufacturing Technique










